ApriliaSquid
fühlt sich wohl hier...
- Motorrad
- Aprilia RSV4 Aprc
- Modelljahr
- 2011
Hallo,
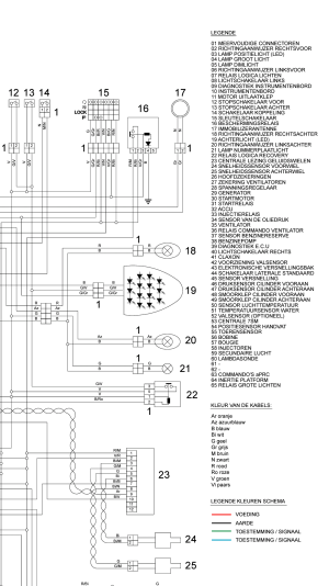
Und zwar weis ich nicht richtig wo ich anfangen soll also, ich fahre eine RSV4 2011bj Typ rke00 und der Vorbesitzer hat anscheinend die hinteren Serien Blinker entfernt und die Blinker verbunden die in der heckleuchte integriert sind, ist zwar optisch schön aber leider nicht zulässig und somit gibts kein TÜV bzw. pickerl bei uns in Österreich.
Nun bin ich zum Louis und habe mir von Rizoma universelle Blinker gekauft.
Das Problem ist nun, ich hab echt keine Ahnung welcher Stecker nun wo hin kommt weil die Blinker vom Rizoma haben jeweils ein Plus und minus pol, soll ich nur eins von denen benutzen oder muss ich mir nachträglich ein Adapter kaufen ? Und so wie ich mir die Kabeln bei der rsv4 angeschaut habe muss ich die beiden gelben Pins entfernen und die rizomas da einstecken ? Fotos folgen.
Ich würde gerne die Arbeit selbst erledigen deswegen freue ich mich auf eure Hilfe.
Danke im Voraus
Und zwar weis ich nicht richtig wo ich anfangen soll also, ich fahre eine RSV4 2011bj Typ rke00 und der Vorbesitzer hat anscheinend die hinteren Serien Blinker entfernt und die Blinker verbunden die in der heckleuchte integriert sind, ist zwar optisch schön aber leider nicht zulässig und somit gibts kein TÜV bzw. pickerl bei uns in Österreich.
Nun bin ich zum Louis und habe mir von Rizoma universelle Blinker gekauft.
Das Problem ist nun, ich hab echt keine Ahnung welcher Stecker nun wo hin kommt weil die Blinker vom Rizoma haben jeweils ein Plus und minus pol, soll ich nur eins von denen benutzen oder muss ich mir nachträglich ein Adapter kaufen ? Und so wie ich mir die Kabeln bei der rsv4 angeschaut habe muss ich die beiden gelben Pins entfernen und die rizomas da einstecken ? Fotos folgen.
Ich würde gerne die Arbeit selbst erledigen deswegen freue ich mich auf eure Hilfe.
Danke im Voraus
