Led Blinker Tuono V4 BJ18

Hat noch keiner welche verbaut? 😉
Die hinteren sind einfach, die kann mann unter der hintere Sitzabdeckung verstecken oder hinter die linke und rechte seiten teil, da passen auch die Rizoma steckern in die original steckern am kabelbaum,

Mit vorne demontieren wir die linke & rechte seitenverkleidung, und nehmen immer die original blinkern ausseinander und ziehen die kabeln raus, kurzen sie und löten die widerstÀnder da zwischen , und schieben die widerstÀnde hinter die Frontverkleidung und befestigen sie mit kabel bindern,
 
Hab das auch nur wenn ich gefahren bin, ganz komisch. Obs mit den LEDs im Scheinwerfer zusammen hĂ€ngt? đŸ€”
Hallo Munky,

ja und nein.
Die 2014 hat sicher eine andere Elektronik verbaut.
Um hier mal ein bisschen Licht in das Blinkerproblem zu bringen folgendes.
Ich habe die 2019 Tuono. Die Elektronik misst stÀndig den Strom der Blinker, um einen ausfall zu melden.
Ich glaube bei der 2018 ist das ebenso.
Die Orginal Blinker haben eine relativ hohe Wattzahl.
Wenn die Ledblinker in der der toleranzkurve liegen geht es.
Habe ich ausprobiert, geht bei vielen, ohne LastwiederstÀnde.
Dabei habe ich erlebt. Alle Blinker gleich, links geht es rechts blinkt es schnell. Oder auch umgekehrt.
Im stand geht es, bei der fahrt nicht.
Wenn LastwiederstÀnde verbaut sind geht es immer.
Also MessgerĂ€te aus dem Keller geholt, das muß ich rauskriegen.
Leider voll auf die Fresse gefallen. Das problem ist komplizierter.
Mit normaler Strom/Spannung Messung nicht nachvollziehbar.
Fazit: Wenn es nicht geht, WiederstÀnde verbauen.
Im nÀchsten Winter, werde ich mich mal damit nÀher beschÀftigen. Mit mehr MessgerÀten. Ich tippe auf Can Bus.
Falls hier noch ein Elektroniker mit liest: Bitte Info!
Oder vieleicht bin ich auch völlig falsch. Wer misst misst mist.
Ach ja ein CanBus Wiederstand geht auch: Highsider CAN-BUS Wiederstand z.b.

Gruß Harald
 
Zuletzt bearbeitet:
Hallo,
wie habt ihr das mit den WiderstÀnden gelöst?
oft ist zu lesen dass diese sehr heiss werden sollen.
habt ihr da schonmal ein Problem gehabt?
BG Frank
 
Moin,
Eine erste gute RĂŒckmeldung. Also nicht besonders verlegt. Einfach dran und fertig. Wird also nicht so heiss das irgendwas schaden nimmt?
Gruß Frank
 
Hi Zillo,
😊gute Ansage. Das hilft😊. Hatte in Videos gesehen dass die WiderstĂ€nde so heiss werden das man sie nicht mehr anfassen kann.
aber dann bin ich beruhigt und muss mir keinen Kopf machen.
BG Frank
 
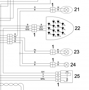
...die LED Kennzeichenbeleuchtung vom Lightech KH hat die Kabel rot, schwarz, weiß. Der Kabelbaum gelb und blau. Weiß jemand wie die zusammen gehören? Denke mal, dass ein Widerstand nicht notwendig ist...
Verdammt wenig Platz fĂŒr die Kabelei im Heck...😊
 
...die LED Kennzeichenbeleuchtung vom Lightech KH hat die Kabel rot, schwarz, weiß. Der Kabelbaum gelb und blau. Weiß jemand wie die zusammen gehören?
Guckst du Stromlaufplan in der Bedienungsanleitung oder aus de Downloadbereich.
 
...die LED Kennzeichenbeleuchtung vom Lightech KH hat die Kabel rot, schwarz, weiß. Der Kabelbaum gelb und blau. Weiß jemand wie die zusammen gehören? Denke mal, dass ein Widerstand nicht notwendig ist...
Verdammt wenig Platz fĂŒr die Kabelei im Heck...😊

Guckst du Stromlaufplan in der Bedienungsanleitung oder aus de Downloadbereich.

Soweit ich weiß gibt es das weder in der Bedienungsanleitung, noch hier im Downloadbereich?

Ich habe aber mal in meinen Infos geschaut, gemĂ€ĂŸ der 2017-2019er Tuono. Demnach gehen, wie geschrieben, Gelb und Blau aus dem Kabelbaum an die Nummernschildbeleuchtung. Danach ist Blau = Masse / Minus, Gelb Plus.

Warum die Lightech Nummernschildbeleuchtung jedoch 3 Kabel hat - keine Ahnung. Ist das eine reine LED Beleuchtung? Die sollte dann auch nur 2 Kabel haben.
 
Hi Malle,
thx. ja, ich habe auch gesucht und nix gefunden. Werde ich wohl ausprobieren mĂŒssen. Bei der niedrigen Spannung wird ja kaum was kaputt zu machen sein...
Ja, ist eine reine LED Beleuchtung.
BG
Frank
 
Hi Malle,
thx. ja, ich habe auch gesucht und nix gefunden. Werde ich wohl ausprobieren mĂŒssen. Bei der niedrigen Spannung wird ja kaum was kaputt zu machen sein...
Ja, ist eine reine LED Beleuchtung.
BG
Frank

Wenn keine weitere Beschreibung vorliegt wÀre zumindest bei Zubehör-Teilen naheliegend: Rot +, Schwarz -.

Weiß? wofĂŒr auch immer...
 
Es ist tatsÀchlich rot auf gelb und schwarz auf blau.
thx Frank
Frag nicht nach dem Sinn. Das weiße ist fĂŒr die integrierte bremsleuchte...
 
Ich denke nicht, dass sich die Farben geÀndert haben.
 

AnhÀnge

  • Bildschirmfoto 2020-12-03 um 19.33.59.png
    Bildschirmfoto 2020-12-03 um 19.33.59.png
    169,2 KB · Aufrufe: 33
  • Bildschirmfoto 2020-12-03 um 19.34.06.png
    Bildschirmfoto 2020-12-03 um 19.34.06.png
    39,2 KB · Aufrufe: 32
  • Bildschirmfoto 2020-12-03 um 19.36.47.png
    Bildschirmfoto 2020-12-03 um 19.36.47.png
    29,6 KB · Aufrufe: 32
Motoplex
ZurĂŒck
Oben